核黄素在CIP/COP清洁程序开发及验证的应用
制药行业中对于核黄素相信大家都不陌生,在清洁性检验在无菌工艺技术中我们都时常运用,本次DST德斯特专家Stephen和大家分享交流一下核黄素在CIP/COP清洁程序开发及验证的应用。
1.清洁性检验在无菌工艺技术中扮演着重要角色。根据使用情况、适用性或要求,实践中应用了多种测试。所描述的荧光测试主要适用于范围内命名的组件,只要这些组件可以通过视觉检查进行检验。
2.定义:
o荧光测试
使用荧光物质检查部件清洁性的试验
o可清洁性
使用选定的清洁介质完全去除测试溶液
与清洁元件、清洁过程或部件设计有关的条件
o清洁性测试
在为荧光测试选择的条件下测试完全可清洁性
o弱点测试
定位关键点的测试;
通常使用的清洁程序的参数值与
可清洁性测试(降低清洁介质的压力或处理量或清洁过程的持续时间)
o优化测试
逐步优化和测试新参数值的适用性,
新的可清洁性测试
o测试溶液
进行荧光测试的溶液
o CIP清洗
组装状态下的部件清洁(在线清洁)
o清洁水
用于清洗被检查部件的水
o完全脱盐水
完全脱盐的水;
也称为Aqua purecata(AP)或纯化水
o WFI水
注射用水
o关键点
难以清洁且可以完全清洁的点
o非关键点
易于清洁且可以完全清洁的点
o不可清洁点
无法完全清洁的点
o清洁元件
用于将清洗液有针对性地应用于待检查部件的元件;
清洁元件示例:喷雾球、旋转喷射清洁器、清洁喷嘴、喷枪
o待检查的表面
荧光测试中要考虑的被检查部件的面积
o要润湿的表面
待检查的表面,将在其上施加测试溶液
o进行测试
试验溶液的使用和移除,以及后续的剩余检查
荧光
o工作场所限值1
与给定参考值相关的工作场所空气中物质随时间变化的平均浓度限值。
3.荧光测试的目的Aim of the fluorescence test
通过检验基本的可达性和所有需要通过清洁介质进行清洁性验证的区域的完全润湿,来执行清洁性检验。清洁性测试旨在验证完全清洁性;测试结果是一个定性陈述。
表1:根据信息表使用荧光测试可实现的目标
Fluorescence test荧光测试 | Aim of the test 测试目的 | Criterion of quality after the test: |
Weak point test 弱点测试 | 将关键点本地化; 作为可选的预临界阶段提供可清洁性测试。 | -可见荧光2 在临界点(根据第3条中的定义);这些都要通过可清洁性测试来确认。 |
Cleanability test 清洁性测试 | 验证清洁性 | -无可见荧光 |
Optimization test 优化测试 | 逐步优化 以及通过单独的、新的可清洁性测试来检查新参数值的适用性 | -无可见荧光2 -改进了参数值(例如,降低了水的消耗,缩短了清洁时间) |
4.安装、设备、规格和执行测试Instatallation, equipment, specifications and carrying out the test:
4.1一般注意事项和注意事项
进行测试时,必须始终遵守与职业健康和安全相关的法规和指令。此外,还特别提到以下内容:
测试时,遵守与职业健康和安全相关的法规和指令。
o测试人员:
没有对测试人员的教育提出具体要求。然而,测试人员应接受适当的测试培训,或在内部工作说明的指导下进行测试。
o紫外线灯:
使用紫外线灯会透过紫外线对眼睛造成伤害。因此,必须佩戴护目镜,并遵守紫外线灯制造商规定的任何额外保护措施。
o职业安全:
由于紫外线灯总是在潮湿的环境中使用,因此应提供电源的个人保险丝保护,例如使用隔离变压器。如果在进行测试和进入容器时需要用紫外线灯照亮容器,强烈建议采取此预防措施。
o脱脂剂:
供应商的安全数据表必须可用,并且必须遵守。
o荧光物质:
供应商的安全数据表必须可用,并且必须遵守。
o干燥:
当完全干燥时,所施加的荧光物质层没有均匀的厚度。在这种情况下,不可能对可清洁性进行重复验证。在部分或不完全干燥的情况下,对于荧光物质的去除或溶解也没有可重复的条件。因此,必须避免试验溶液干燥。
4.2试验准备
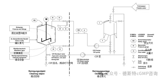
可以按照图中所示的安排进行荧光试验的试验准备。

4.3试验设备和规范
4.3.1试验溶液
在进行试验之前,必须准备好试验溶液。表2规定了试验溶液的成分和配方。这些成分和配方已在实践中的荧光测试和本信息表编制过程中进行的试验中证明了其价值。
基本上也可以使用其他部分或完全偏离的成分或配方进行测试。如有必要,应考虑或单独安排偏差及其可能产生的影响。
关于含有乙醇的配方的说明:使用的一些配方需要在水中添加乙醇来制备测试溶液(以提高润湿性,但也增加干燥趋势)。这可能会对防爆、职业健康和安全产生影响,如有必要,必须单独考虑。
4.3.2用于制备供试品溶液的水
用于制备试验溶液的水的质量应至少与清洁水的质量相同(见第4.3.3条)。为了避免石灰等矿物质沉积,应始终使用软化水作为制备测试溶液的最低质量。供试品溶液的水应在室温下。
4.3.3清洗水
应使用至少具有饮用水质量的水作为清洁水。清洗水的温度应在12-25°C的范围内。在低于此温度的情况下,预计清洁效果会下降。
4.3.4变暗
必须能够使待检查表面的区域变暗;这仅适用于待检查的表面由于其排列(例如在容器内部)而不自动处于黑暗中的情况。
4.3.5检查灯(紫外线灯)
紫外线灯用于使试验溶液的荧光可见,第4.1条中给出了这方面的安全注意事项。用于荧光测试的紫外线灯的常用波长为365nm。
4.3.6待检查的表面
考察表面通常是被检查部件(包括配件)的内表面,如果有清洁元件可用于清洁外表面,也包括相应的外表面。
注:为了节省时间,在测试大型互连表面时,最好不要用测试溶液弄湿所有零件。例如,对于容器壁的大型互连表面的零件,只要可以假设这些表面在清洗测试溶液时会以与相邻的完全润湿零件相同的方式反应,就会出现这种情况。未润湿的表面仍应归因于待检查的表面,并在进行测试和记录时进行说明。如果要检查的表面部分不需要用测试溶液润湿,则应提前安排,并在进行测试前进行记录。
4.3.7 预清洗
要检查的表面必须看起来干净且无油脂。
4.3.8部件的调整
要检查的部件,例如容器或设备,必须按照指示进行定位。
如有必要,应纠正或记录任何偏差。
4.3.9喷雾球/喷嘴和配件
待检查部件内或部件上的喷雾球/喷嘴必须按照待检查部件的规范(如施工图、装配说明)进行安装。在清洁过程中,必须安装操作所需的所有配件。
4.3.10压力和流量测量
在每次连接喷雾球/喷嘴之前,应进行压力和流速测量(理想情况下为标准要求)。如果无法做到这一点,则必须使用可用数据计算各个喷雾球/喷嘴的条件。因此,应概述泵的数量、位置和布置、压力和流速测量以及喷雾球/喷嘴。
4.3.11清洁程序
试验的清洁程序使用清洁水进行(见第4.3.3条)。实际清洁过程的持续时间必须根据后续使用过程中的实际污染程度进行调整。
清洁程序通常由被检查部件的供应商规定(例如,完整的容器、设备等,包括符合第2条的固定装置)。
荧光试验
清洁程序规范应包含的详细信息
o持续时间,
o压力,
o流速和
o序列
清洁元件应用程序。它还应包含有关的详细信息
o组件的填充水平和
o阀门位置以及
o组件有源元件的位置和/或移动/旋转速度。
合适的清洁程序可以包括应用清洁元件或与水的无元件连接,或者移动元件在清洁水中或通过清洁水中的移动/旋转速度。除此之外,适当的清洁程序还可以包括它们的随机组合。
4.3.12测试溶液的成分和配方
表2:试验溶液的成分和配方
配方 | 1 | 2 | 3 |
应用案例 | 所有组件 | 仅使用完全充满测试溶液(充满)的组件。 | 设计实验的测试,定义其中很难清洁的关键点 |
备注 | 测试溶液的应用已经可以用肉眼识别,溶液已经均匀地喷洒在上面;避免了试验溶液的干燥(比较第5.1条) | 禁止手动使用测试溶液。因此也不再需要添加羟乙基纤维素。使用该配方,当通过喷涂施加时,会出现部分较薄的层厚度。这些层无法用肉眼充分识别,可能导致在评估清洁结果时得出错误结论。因此,试验溶液仅用于完全淹没。 | 增加试验溶液的附着力。适用于粘附和去除测试溶液之间只有很窄的间隙的情况。 |
成分/添加 | |||
核黄素(染料,增加视觉舒适性,具有荧光性); CAS编号:83-88-5 | 0.2 g | 0.2 g | 1 g |
水(作为核黄素的溶剂和载体介质);要求见第4.3.2条。 | 1000 ml | 1000 ml | 1000 ml |
羟乙基纤维素(“HEC”,用于增加粘度和层厚度); 要求:普通型(非烯丙基改性),具有溶胀延迟(与延迟溶胀反应),粘度等级:100000 mPas(在1.9%溶液中,20°C,20°GH);所用HEC测试溶液的粘度:50-75 mPas | 建议(并非绝对必要):5 g | - | 10 g |
备注;
为了代替核黄素,也可以使用荧光素钠(CAS号:518-47-8)作为荧光物质。在相同剂量下,两种荧光物质的测试溶液在荧光测试中使用时效果相同。
5.荧光测试的评估:
荧光测试用于检查可清洁性。这是通过检查需要通过清洁介质验证可清洁性的所有区域的基本可达性以及完全润湿来实现的。
可清洁性测试旨在验证完全的可清洁性;试验结果是定性的。除此之外,荧光测试的逐步或重复进行还能够对改进或优化清洁过程的措施进行定性陈述或检查。
当测试完成后满足表1中描述的质量标准时,荧光测试被视为成功通过。
如果被检查部件的可清洁性测试失败,则必须确定该失败的原因。然后,在采取纠正措施(例如,修改清洁程序)并可能与客户协调后,重复进行测试。必须记录新的测试条件。
在进行弱点测试时,可能出现的情况是,所满足的不是相关的质量标准,而是清洁性测试的标准。在这种情况下,建议相互承认弱点测试为清洁性测试。